
Preview
MPV-120
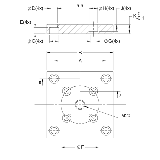
MPV is a square base mount to mount the gas spring to the tool by using the bottom threads of the gas spring
into the tool. MPV meets the ISO 11901-2, GM 90.25 and other standards.
Diagram / specifications section

Preview
| A | A (in) | 5512 |
| B | B (in) | 4311 |
| C | C (in) | 0,531 |
| D | D (in) | 0,787 |
| E | E (in) | 0,512 |
| F | F (in) | 3,15 |
| G | G (in) | 0,433 |
| H | H (in) | 0,709 |
| J | J (in) | 0,591 |
| K | K (in) | 0,787 |
Item specifications
- Weight (lb)5.952474
- Weight (lb)5.952474



