
Preview
MPV-063
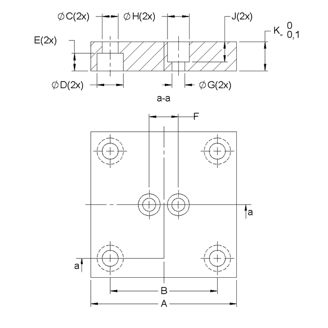
MPV is a square base mount to mount the gas spring to the tool by using the bottom threads of the gas spring into the tool. MPV meets the VDI 3003 and other standards
Diagram / specifications section

Preview
| A | A (in) | 3937 |
| B | B (in) | 2894 |
| C | C (in) | 0,433 |
| D | D (in) | 0,709 |
| E | E (in) | 0,472 |
| F | F (in) | 0,7874 |
| G | G (in) | 0,354 |
| H | H (in) | 0,591 |
| J | J (in) | 0,4724 |
| K | K (in) | 0,787 |
Item specifications
- Weight (lb)2.866006
- Weight (lb)2.866006



