
Preview
MPV-045
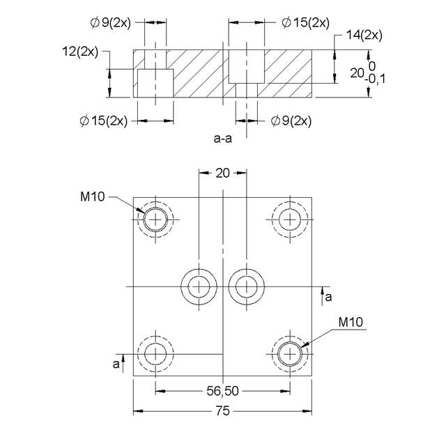
MPV is a square base mount to mount the gas spring to the tool by using the bottom threads of the gas spring
into the tool. MPV meets the ISO 11901-2, GM 90.25 and other standards.
Diagram / specifications section

Preview
| A | A (in) | 2756 |
| B | B (in) | 1969 |
| C | C (in) | 0,354 |
| D | D (in) | 0,591 |
| E | E (in) | 0,472 |
| F | F (in) | 0,787 |
| G | G (in) | 0,354 |
| H | H (in) | 0,591 |
| J | J (in) | 0,551 |
| K | K (in) | 0,787 |
Item specifications
- Weight (lb)1.3889106
- Weight (lb)1.3889106



